GT氣動執行器以氣源為驅動力經氣缸內的活塞帶動齒輪齒條等部件,最終轉換成輸出扭矩力來控制閥門啟閉;分單作用和雙作用兩種功能規格,可根據客戶實際情況選擇;也可預先設定為正作用或者反作用。GT氣動執行器是一款非常成熟的氣動執行機構,使用范圍很廣、使用歷史久遠,相比于其他閥門執行器具有明顯的價格優勢。GT氣動執行器適配蝶閥、球閥、旋塞閥等做90°角行程的閥門控制。
產品參數
規格型號:GT52K
型號意義:GT—氣動執行器種類 52—氣缸缸體內徑 K—單作用式(彈簧復位)
工作行程:90°±5°
適用氣源:0.4~0.7MPa
氣源接口:符合NRMAR標準
輸出扭矩:8~13.3Nm(默認配置8根彈簧)
作用形式:單作用(彈簧復位)
環境溫度:標準型-20℃~ +80℃
高溫型-15℃~ +180℃
低溫型-50℃~ +80℃
須在訂貨時確認!
電磁閥電源:AC220V或DC24V(也可按客戶要求)
具體輸出扭矩,請查看下方輸出扭矩力詳表。
| GT單作用輸出力矩表(Nm) |
| 型號 | 彈簧 數量 | 氣源克服彈簧輸出力矩(Nm) | 彈簧輸出力矩(N.M) |
| 0.4MPa | 0.5MPa | 0.6MPa | 0.7MPa |
0° 開始 | 90° 結束 | 0° 開始 | 90° 結束 | 0° 開始 | 90° 結束 | 0° 開始 | 90° 結束 | 0° 開始 | 90° 結束 |
| GT52K | 8 | 7.6 | 2.3 | 11.5 | 6.2 | 15.4 | 10.1 | 19.3 | 14 | 13.3 | 8 |
| GT63K | 8 | 10.4 | 4.8 | 16.2 | 10.6 | 22 | 16.4 | 27.8 | 22.2 | 18.4 | 12.8 |
| GT75K | 8 | 20.8 | 1.6 | 30.8 | 14.6 | 40.8 | 24.6 | 50.8 | 34.6 | 35.4 | 19.2 |
| GT83K | 8 | 30.4 | 13.6 | 44.4 | 27.6 | 58.2 | 41.6 | 72.4 | 55.6 | 42.4 | 25.6 |
| GT92K | 8 | - | - | 60.2 | 35.4 | 79.6 | 54.7 | 99 | 74 | 61.7 | 36.8 |
| GT110K | 8 | 51.9 | 17.9 | 80.1 | 46.1 | 108.3 | 74.3 | 136.5 | 102.5 | 94.9 | 60.9 |
| GT118K | 8 | 84 | 26.8 | 126 | 68.8 | 168 | 110.8 | 210 | 152.8 | 141.2 | 84 |
| GT127K | 8 | 120 | 52 | 175 | 107 | 220 | 162 | 285 | 217 | 158 | 100 |
| GT143K | 8 | - | - | 255.9 | 73.6 | 343.8 | 161.5 | 431.8 | 149.5 | 366.2 | 183.9 |
| GT160K | 8 | 232 | 129 | 342 | 238 | 452 | 349 | 562 | 459 | 411 | 208 |
| GT190K | 8 | 376.6 | 222.8 | 574 | 420.2 | 771.1 | 617.6 | 969.1 | 815 | 566.4 | 412.9 |
| GT210K | 8 | 522.4 | 332.8 | 759.4 | 569.8 | 996.4 | 806.8 | 1233.4 | 1043.8 | 615.2 | 425.6 |
| GT254K | 8 | 796 | 264 | 1096 | 699 | 1596 | 1134 | 2141 | 1569 | 1366 | 904 |
| GT255K | 8 | 1228 | 419.6 | 1771 | 2051.6 | 2314 | 1507.6 | 2857 | 2051.6 | 1750.4 | 944 |
| GT300K | 8 | 1968 | 1704 | 2177 | 1744 | 3537 | 3064 | 4321 | 3752 | 1641 | 1168 |
| GT350K | 8 | 3429 | 2232 | 4674 | 3056 | 5919 | 4048 | 7165 | 4152 | 3423 | 1552
|
產品結構

| 1 | 齒輪齒輪 | 4 | 端蓋螺栓 |
| 2 | 調節螺釘 | 5 | 鋁合金缸體 |
| 3 | 組合彈簧 | 6 |
|
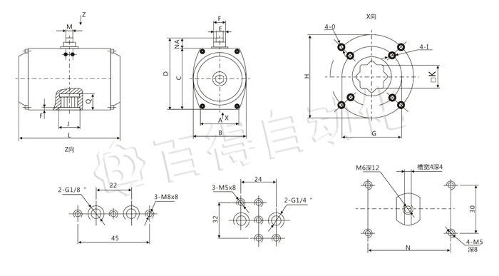
安裝尺寸

| GT型氣動執行器外形尺寸表 |
| 型號 | A | B | C | D | φE | φF | φG | Φh | I | O | □K | M | N | P | Q | L | 接口 螺紋 |
| NA=20 | NA=30 |
| GT52K | 50 | 59 | 74 | 94 | 104 | 12 | 12 | ISO F03 φ36 | ISO F05 φ50 | M5×8 | M6×10 | CH.11 | CH.10 | 80 | 2 | 18 | 125 | G1/8〃 |
| GT63K | 60 | 70 | 88 | 108 | 118 | 12 | 12 | ISO F05 φ50 | ISO F07 φ70 | M6×10 | M8×13 | CH.11 | CH.10 | 80 | 2 | 18 | 140 | G1/8〃 |
| GT75K | 65 | 83 | 100 | 120 | 130 | 14 | 18 | ISO F05 φ50 | ISO F07 φ70 | M6×10 | M8×13 | CH.14 | CH.10 | 80 | 2 | 19 | 165 | G1/8〃 |
| GT83K | 65 | 91 | 108 | 128 | 138 | 14 | 18 | ISO F05 φ50 | ISO F07 φ70 | M6×10 | M8×13 | CH.17 | CH.10 | 80 | 2 | 19 | 182 | G1/8〃 |
| GT92K | 70 | 100 | 117 | 137 | 147 | 20 | 25 | ISO F05 φ50 | ISO F07 φ70 | M6×10 | M8×13 | CH.17 | CH.14 | 80 | 2 | 19 | 209 | G1/8〃 |
| GT110K | 90 | 120 | 140 | 160 | 170 | 20 | 25 | ISO F07 φ70 | ISO F10 φ102 | M8×13 | M10×16 | CH.17 | CH.14 | 80 | 3 | 25 | 222 | G1/4〃 |
| GT118K | 90 | 120 | 140 | 160 | 170 | 28 | 40 | ISO F07 φ70 | ISO F10 φ103 | M8×13 | M10×16 | CH.22 | CH.20 | 80 | 3 | 25 | 294 | G1/4〃 |
| GT127K | 103 | 137 | 160 | 180 | 190 | 28 | 40 | ISO F07 φ70 | ISO F10 φ102 | M8×13 | M10×16 | CH.22 | CH.20 | 80 | 3 | 25 | 284 | G1/4〃 |
| GT143K | 110 | 172 | 198 | - | 228 | 28 | 40 | ISO F10 φ102 | ISO F12 φ125 | M10×16 | M12×20 | CH.27 | CH.20 | 130 | 3 | 27 | 361 | G1/4〃 |
| GT160K | 110 | 172 | 198 | - | 228 | 36 | 40 | ISO F10 φ103 | ISO F12 φ125 | - | M12×20 | CH.27 | CH.28 | 130 | 3 | 29 | 378 | G1/4〃 |
| GT190K | 135 | 224 | 255 | - | 285 | 36 | 45 |
| ISO F14 φ140 | - | M16×25 | CH.36 | CH.28 | 130 | 3 | 36 | 418 | G1/4〃 |
| GT210K | 135 | 224 | 255 | - | 285 | 36 | 45 |
| ISO F14 φ140 | - | M16×25 | CH.36 | CH.32 | 130 | 4 | 40 | 452 | G1/4〃 |
| GT254K | 159 | 272 | 302 | - | 332 | 40 | 75 |
| ISO F16 φ165 | - | M20×28 | CH.46 | CH.32 | 130 | 4 | 50 | 603 | G3/8" |
| GT255K | 159 | 272 | 302 | - | 332 | 40 | 75 |
| ISO F16 φ165 | - | M20×28 | CH.46 | CH.32 | 130 | 4 | 50 | 683 | G3/8" |
| GT300K | 196 | 324 | 350 | - | 380 | 40 | 75 |
| 200×140 | - | M20×32 | CH.46 | CH.32 | 150 | 4 | 50 | 700 | G3/8" |
| GT350K | 220 | 380 | 408 | - | 438 | 40 | 105 |
| 260×160 | - | M20×38 | CH.60 | CH.32 | 150 | 4 | 70 | 795 | G3/8"
|